Mack
T9-N-210A6
3-leukainen voimaistukka DIN 55026
EAN-koodi: 4049794002292
3-leukainen voimaistukka keskireiällä - 1,5 x 60°
Toimitukseen sisältyy 1sarja perusleukoja ja pehmeät päällileuat, kiinnitysruuvit sekä vetomutteriaihion.
ALV 0%
2243,70 €
Ostoa varten sinun täytyy kirjautua verkkokauppaan.
Tilaa käyttäjätunnukset täältä.
Kysy tuotteesta
Kysy tuotteesta
Tuotekuvaus

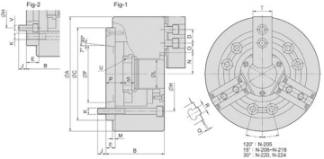
Tekniset tiedot
Kuvaus
Symboli
Arvo
Ulkohalkaisija
Ø A
254 mm
Standardi
DIN 55026
Korkeus ilman leukoja
B
120 mm
Pulttiväli
D
30 mm
Laipan paksuus
E
25 mm
Keskityshalkaisija
Ø F
106,375 mm
Keskityshalkaisija
Ø C (H6)
220 mm
Reikäpiirin halkaisija
Ø H
133,35 mm
Kierteen pituus
J
18 mm
Reikäpiirin kierre
K
6xM16
Keskireiän halkaisija
Ø L
75 mm
Keskityssyvyys
M
5 mm
N max.
51 mm
O max.
33,75 mm
O min.
14,25 mm
P min.
14,5 mm
Hammastuksen korkeus
Q
2 mm
T-uran nimellismitta
R
16 mm
Vetomutterin pituus
S
25 mm
Leuan leveys
T
42 mm
Kierteen koko
U max
M85x2
Sisemmän reikäpiirin kierre
V
6xM16