Mack
T9-NB-208A6
3-leukainen voimaistukka DIN 55026
EAN-koodi: 4049794002377
3-leukainen voimaistukka suurella keskireiällä - 1,5 x 60°
Toimitukseen sisältyy 1sarja perusleukoja ja pehmeät päällileuat, kiinnitysruuvit sekä vetomutteriaihion.
ALV 0%
2151,70 €
Ostoa varten sinun täytyy kirjautua verkkokauppaan.
Tilaa käyttäjätunnukset täältä.
Kysy tuotteesta
Kysy tuotteesta
Tuotekuvaus

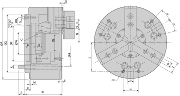
Tekniset tiedot
Kuvaus
Symboli
Arvo
Ulkohalkaisija
Ø A
210 mm
Standardi
DIN 55026
Korkeus ilman leukoja
B
103 mm
Keskityshalkaisija
Ø C (H6)
170 mm
Pulttiväli
D
25 mm
Laipan paksuus
E
17 mm
Keskityshalkaisija
Ø F
106,375 mm
Sisemmän reikäpiirin halkaisija
Ø G
150 mm
Reikäpiirin halkaisija
Ø H
133,35 mm
Kierteen pituus
J
19,5 mm
Reikäpiirin kierre
K
6xM12
Keskireiän halkaisija
Ø L
66 mm
Keskityssyvyys
M
5 mm
O max.
23,75 mm
O min.
11,75 mm
P min.
15,5 mm
Hammastuksen korkeus
Q
2 mm
T-uran nimellismitta
R
14 mm
Vetomutterin pituus
S
20 mm
Leuan leveys
T
37 mm
Kierteen koko
U max
M74x2,0
Sisemmän reikäpiirin kierre
V
3xM6
Halkaisija
Ø W
80 mm