Mastercam 2026

Tehokkuutta ja tekoälyä CAM-ohjelmointiin. LUE LISÄÄ

Walter Tools kierrätyspalvelu

Kovametallin kierrättäminen tuo hyötyjä monella tasolla. LUE LISÄÄ

Walter Tools tuoteinnovaatiot 2025-2

Uusia ratkaisuja tehokkaaseen ja luotettavaan koneistukseen. LUE LISÄÄ

Camcut Group

Rohkea askel kohti kansainvälisyyttä. LUE LISÄÄ

10 asiaa, jotka kannattaa huomioida

kun hankit CAM-ohjelmiston. LUE LISÄÄ

Zentra ZE-4100-250
Nelileukaistukka, valurauta

EAN-koodi: 4049794047231

Valuraitainen nelileukaistukka erikseen säädettävillä yksioisaisilla leuoilla.

Toimitukseen sisältyy 1sarja sisä-/ulkopuolisia leukoja, avaimen sekä kiinnitysruuvit.

ALV 0% 413,20 €
Ostoa varten sinun täytyy kirjautua verkkokauppaan. Tilaa käyttäjätunnukset täältä.
Kysy tuotteesta
Kysy tuotteesta
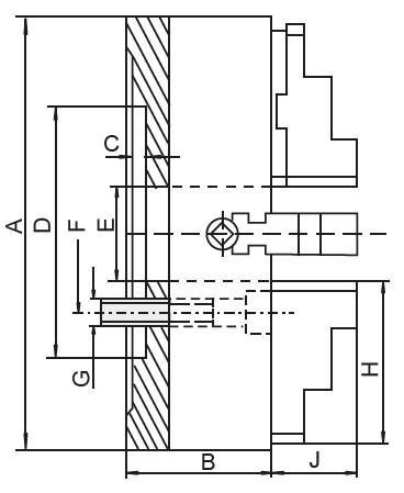
Tekniset tiedot
Kuvaus Symboli Arvo
Ulkohalkaisija
Ø A
250 mm
Standardi
-
Korkeus ilman leukoja
B
85 mm
Keskityssyvyys
C
7 mm
Keskityshalkaisija
D
150 mm
Keskireiän halkaisija
E
65 mm
Reikäpiirin halkaisija
F
104,8 mm
Kierre
G
4xM12
Leuan pituus
H
92 mm
Leuan korkeus
J
40,3 mm