Mastercam 2026

Tehokkuutta ja tekoälyä CAM-ohjelmointiin. LUE LISÄÄ

Walter Tools kierrätyspalvelu

Kovametallin kierrättäminen tuo hyötyjä monella tasolla. LUE LISÄÄ

Walter Tools tuoteinnovaatiot 2025-2

Uusia ratkaisuja tehokkaaseen ja luotettavaan koneistukseen. LUE LISÄÄ

Camcut Group

Rohkea askel kohti kansainvälisyyttä. LUE LISÄÄ

10 asiaa, jotka kannattaa huomioida

kun hankit CAM-ohjelmiston. LUE LISÄÄ

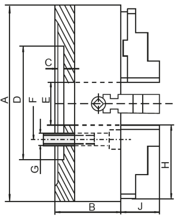
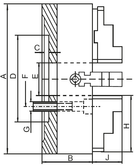
Zentra ZE-4156-315
Nelileukaistukka, valurauta DIN 55026

EAN-koodi: 4049794047477

Valuraitainen nelileukaistukka erikseen säädettävillä yksioisaisilla leuoilla.

Toimitukseen sisältyy 1sarja sisä-/ulkopuolisia leukoja, avaimen sekä kiinnitysruuvit.

ALV 0% 746,20 €
Ostoa varten sinun täytyy kirjautua verkkokauppaan. Tilaa käyttäjätunnukset täältä.
Kysy tuotteesta
Kysy tuotteesta
Tekniset tiedot
Kuvaus Symboli Arvo
Ulkohalkaisija
Ø A
315 mm
Standardi
DIN 55026
Kartiokoko
KK
5
Korkeus ilman leukoja
B
95 mm
Keskityshalkaisija
D
82,6 mm
Keskireiän halkaisija
E
80 mm
Reikäpiirin halkaisija
F
104,8 mm
Kierre
G
4xM10