Mastercam 2026

Tehokkuutta ja tekoälyä CAM-ohjelmointiin. LUE LISÄÄ

Walter Tools kierrätyspalvelu

Kovametallin kierrättäminen tuo hyötyjä monella tasolla. LUE LISÄÄ

Walter Tools tuoteinnovaatiot 2025-2

Uusia ratkaisuja tehokkaaseen ja luotettavaan koneistukseen. LUE LISÄÄ

Camcut Group

Rohkea askel kohti kansainvälisyyttä. LUE LISÄÄ

10 asiaa, jotka kannattaa huomioida

kun hankit CAM-ohjelmiston. LUE LISÄÄ

Zentra ZE-6252-315
Kaksileukaistukka, valurauta DIN 6350

EAN-koodi: 4049794038635

Valurautainen keskittävä kaksileukaistukka kaksioisaisilla leuoilla.

Toimitukseen sisältyy 1sarja perusleukoja ja pehmeät päällileuat, avaimen sekä kiinnitysruuvit.

ALV 0% 814,30 €
Ostoa varten sinun täytyy kirjautua verkkokauppaan. Tilaa käyttäjätunnukset täältä.
Kysy tuotteesta
Kysy tuotteesta
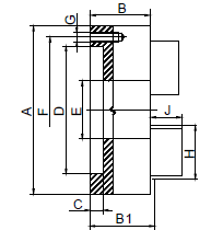
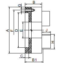
Tekniset tiedot
Kuvaus Symboli Arvo
Ulkohalkaisija
Ø A
315 mm
Standardi
DIN 6350
Korkeus ilman leukoja
B
94 mm
Korkeus perusleukojen kanssa
B1
99,1 mm
Keskityssyvyys
C
5 mm
Keskityshalkaisija
D
260 mm
Keskireiän halkaisija
E
103 mm
Reikäpiirin halkaisija
F
286 mm
Kierre
G
6xM16
Leuan korkeus
J
57 mm