Mastercam 2026

Tehokkuutta ja tekoälyä CAM-ohjelmointiin. LUE LISÄÄ

Walter Tools kierrätyspalvelu

Kovametallin kierrättäminen tuo hyötyjä monella tasolla. LUE LISÄÄ

Walter Tools tuoteinnovaatiot 2025-2

Uusia ratkaisuja tehokkaaseen ja luotettavaan koneistukseen. LUE LISÄÄ

Camcut Group

Rohkea askel kohti kansainvälisyyttä. LUE LISÄÄ

10 asiaa, jotka kannattaa huomioida

kun hankit CAM-ohjelmiston. LUE LISÄÄ

Zentra ZE-8363-250
Kolmileukaistukka, teräs DIN 6350

EAN-koodi: 4049794039274

Teräksinen keskittävä kolmileukaistukka kaksioisaisilla leuoilla.

Toimitukseen sisältyy 1sarja perusleukoja ja käännettävät päällileuat, avaimen sekä kiinnitysruuvit.

ALV 0% 976,80 €
Ostoa varten sinun täytyy kirjautua verkkokauppaan. Tilaa käyttäjätunnukset täältä.
Kysy tuotteesta
Kysy tuotteesta
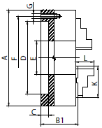
Tekniset tiedot
Kuvaus Symboli Arvo
Ulkohalkaisija
Ø A
250 mm
Standardi
DIN 6350
Korkeus perusleukojen kanssa
B1
92,8 mm
Keskityssyvyys
C
5 mm
Keskityshalkaisija
D
200 mm
Keskireiän halkaisija
E
76 mm
Reikäpiirin halkaisija
F
224 mm
Kierre
G
6xM12
Leuan korkeus
J
53 mm