Mastercam 2026

Tehokkuutta ja tekoälyä CAM-ohjelmointiin. LUE LISÄÄ

Walter Tools kierrätyspalvelu

Kovametallin kierrättäminen tuo hyötyjä monella tasolla. LUE LISÄÄ

Walter Tools tuoteinnovaatiot 2025-2

Uusia ratkaisuja tehokkaaseen ja luotettavaan koneistukseen. LUE LISÄÄ

Camcut Group

Rohkea askel kohti kansainvälisyyttä. LUE LISÄÄ

10 asiaa, jotka kannattaa huomioida

kun hankit CAM-ohjelmiston. LUE LISÄÄ

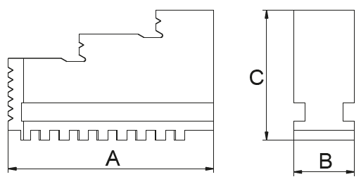
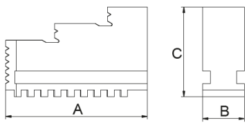
Zentra ZE-DB35-315
Leukasarja, sisäpuolisesti porrastettu

EAN-koodi: 4049794045886

Sisäpuolisesti porrastettu leukasarja kolmileukaistukkaan

ALV 0% 235,90 €
Ostoa varten sinun täytyy kirjautua verkkokauppaan. Tilaa käyttäjätunnukset täältä.
Kysy tuotteesta
Kysy tuotteesta
Tekniset tiedot
Kuvaus Symboli Arvo
Ulkohalkaisijalle
Ø
315 mm
Leuan pituus
A
125 mm
Leuan leveys
B
32 mm
Leuan korkeus
C
73 mm