Walter Tools F4253.BN60.250.Z08.25R
Skivfräs för spårfräsning

EAN-kod: 0567910726
M-slot-milling-Icon
M-Anstellw-90-Icon M-WSP-neg-Icon
P
M
K
N
S
H
O
VAT 0% 2641,00 €
Kontrollerar lagersaldo
You need to log in before purchasing. Request credentials here.
Ask about this product
Ask about this product
Video
Technical details
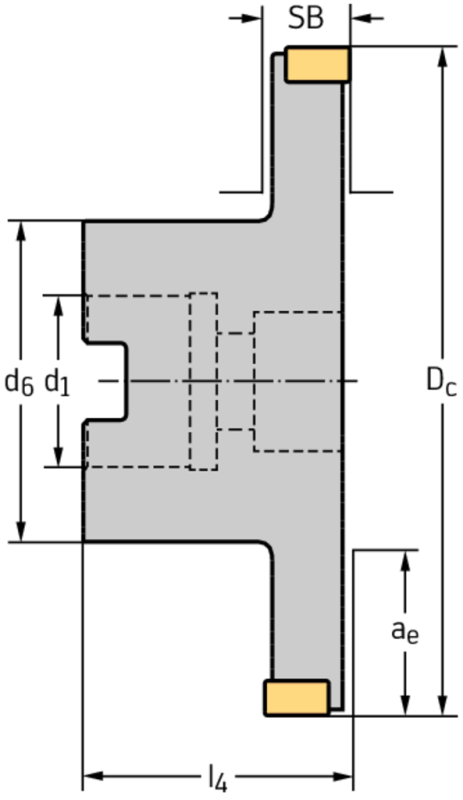
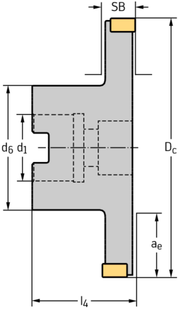
Description Symbol Value
Maximalt skärdjup
ae
55 mm
Antal vändskär – höger
No. of inserts
8 EA
Antal vändskär – vänster
No. of inserts
8 EA
Skärbredd
SB
25 mm
Skärdiameter
Dc
250 mm
Kontaktdiameter
d1
60
Navdiameter
d6
135 mm
Ställvinkel
KAPR
90 °
Funktionell längd
l4
50 mm
Verktygsbeteckning
Beteckning
F4253.BN60.250.Z08.25R
Max. varvtal
RPMX
6200 r/min
Möjliga vändskär – höger
Type
LN . U160812
Möjliga vändskär – vänster
Type
LN . U160812
Vikt
WT
10,37 kg
Compatible products
Products
Adaptors
Accessories
Assembly parts
W MI LNMU F57T TTG P 01
LNMU-F57T
Rombiska tangentiella
Show variations
P
M
K
N
S
H
O
W MI LNMU B57T TTG P 01
LNMU-B57
Rombiska tangentiella
Show variations
P
M
K
N
S
H
O
LNHU-F57-TTGPVD-P-01
LNHU-F57
Rombiska tangentiella
Show variations
P
M
K
N
S
H
O
W-A-AK155-CAPTO-P-01
AB001-C
Fräsdornsinfästning
Show variations
AB001-S-P-01
AB001-S
Fräsdornsinfästning DIN 69871 AD/B
Show variations
AB001-H-P-01
AB001-H
Fräsdorn DIN 69893-1 A
Show variations
W-EZ-Z-KEY-WH-P-01
Z_KEY
Nyckel
Show variations
W-EZ-Z-SCREW-WITH-HEAD-WH-P-01
Z_SCREW_WITH_HEAD
Skruvar med huvud
Show variations
W-EZ-Z-SCREWS-WITHOUT-HEAD-WH-P-01
Z_SCREWS_WITHOUT_HEAD
Skruvar utan huvud
Show variations