Walter Tools F5055.BN40.160.Z14.3,0R
Slitsfräs

EAN-kod: 0762592721
M-slitting-Icon
M-Anstellw-90-Icon T-WSP-SX-Icon
1 skäregg per vändskär
P
M
K
N
S
H
O
VAT 0% 1818,00 €
Kontrollerar lagersaldo
You need to log in before purchasing. Request credentials here.
Ask about this product
Ask about this product
Technical details
Description Symbol Value
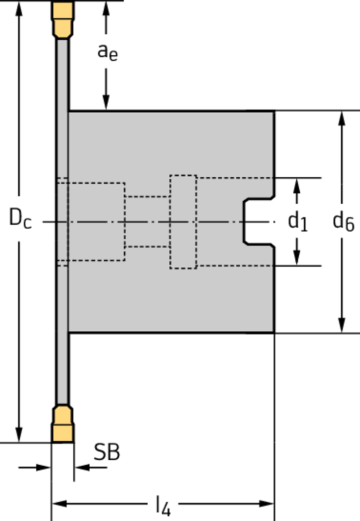
Maximalt skärdjup
ae
38 mm
Antal vändskär
No. of inserts
14
Skärbredd
SB
3 mm
Skärdiameter
Dc
160 mm
Kontaktdiameter
d1
40
Navdiameter
d6
80 mm
Ställvinkel
KAPR
90 °
Funktionell längd
l4
63 mm
Verktygsbeteckning
Beteckning
F5055.BN40.160.Z14.3,0R
Max. varvtal
RPMX
2000 r/min
Möjliga vändskär
Typ
SX-3E3
Vikt
WT
2,11 kg
Antal tänder
Z
14
Compatible products
Products
Adaptors
Accessories
Assembly parts
W T SX CK8 POL P 01
SX-E-CK8
Spår- och avstickning – skär
Show variations
P
M
K
N
S
H
O
W T SX SK8 POL P 01
SX-E-SK8
Slitsfräsning – skär
Show variations
P
M
K
N
S
H
O
SX-E-SF5-TTG-P-01
SX-E-SF5
Slitsfräsning – skär
Show variations
P
M
K
N
S
H
O
SX-E-CF6-TTG-P-01
SX-E-CF6
Spår- och avstickning – skär
Show variations
P
M
K
N
S
H
O
SX-E-CE4-TTG-P-01
SX-E-CE4
Spår- och avstickning – skär
Show variations
P
M
K
N
S
H
O
W A A150M NCT P 01
A150M.0
Kombifräsdorn
Show variations
W-EZ-Z-KEY-WH-P-01
Z_KEY
Nyckel
Show variations
F5055-B1-TTGPVD-P-01
F5055-B1
Slitsfräs
Show variations
P
M
K
N
S
H
O
W A AA704 B22 G22 040 B P 02 1
AA704
Förlängare
Show variations