Zentra ZE-HUT-1
Jakolaite

EAN-kod: 4049794051450

- suora jako 2, 3, 4, 6, 8, 12 sekä 24

- aseteltavissa -10° to +90°

- epäsuora jako 2-50 sekä paljon välillä 52-380

- välityssuhde 40:1

VAT 0% 611,90 €
You need to log in before purchasing. Request credentials here.
Ask about this product
Ask about this product
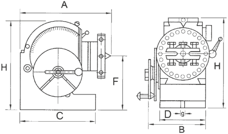
Technical details
Description Symbol Value
Kiinnityshalkaisija
MK
MK2 B
Leveys
A
196 mm
Leveys
B
133 mm
Korkeus
H
173 mm
Leveys
C
160 mm
Leveys
D
91 mm
Uran leveys
g
16 mm
Karan halkaisija
Ø
16 mm
Kiinnityslevyn halkaisija
Ø
100 mm
Sis. tukikärjen
RSV-108