Walter Tools A170M.0.80.087.40.EX
Hållare till excenterhylsa

EAN-kod: 0256729852
För Ø-justering av vändskärsborr med cylindriskt skaft
VAT 0% 880,00 €
Kontrollerar lagersaldo
You need to log in before purchasing. Request credentials here.
Ask about this product
Ask about this product
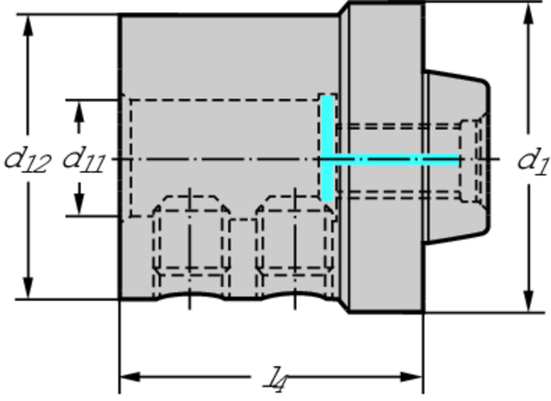
Technical details
Description Symbol Value
Kroppsdiameter
d12
78 mm
Funktionell längd
l4
87 mm
Verktygsbeteckning
Beteckning
A170M.0.80.087.40.EX
Max. varvtal
RPMX
30000 r/min
Vikt
WT
2,76 kg
Kontaktstorlekskod
d1
NCT 80
Kontaktstorlekskod
d11
40
Compatible products
Adaptors
Accessories
Assembly parts
W A A100M2 SK P 01
A100M.2
Master DIN 69871-1 AD
Show variations
W A AK200M2 SK P 01
AK200M.2
Master DIN 69871-1 AD/B
Show variations
W-A-A101M-NCT-P-01
A101M.0
Förlängning
Show variations
W A A100M CAPTO P 01
A100M.8
Master Walter CaptoTM
Show variations
W A A100M HSK P 01
A100M.7
Master DIN 69893-1 A
Show variations
W A A100M4 SK P 01
A100M.4
Master MAS-BT JIS B 6339
Show variations
W-A-FS722-P-01
EXZENTERHUELSE
Excenterhylsa
Show variations
W-EZ-Z-KEY-WH-P-01
Z_KEY
Nyckel
Show variations
W-EZ-Z-SCREWS-WITHOUT-HEAD-WH-P-01
Z_SCREWS_WITHOUT_HEAD
Skruvar utan huvud
Show variations