TruThread
P NT 00116 027 L1 BR
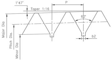
Thread plug gauge NPT
NEW 2025
EAN-code: P NT 00116 027 L1 BR
Basic ASME B 1.20.1
Step Limit: American Handbook H-28
NPT Threads are used on general purpose applications of pipe assembly, where a pressure tight joint of the pipes are made, by making the pipes wrench tight using a sealing compound.
Taper 1 in 16 on diameter
VAT 0%
112,63 €
You need to log in before purchasing.
Request credentials here.
Ask about this product
Ask about this product
Description
All Gauges are hardened and double tempered to hardness of 60-62 HRc in TruThread modern heat treatment facility.
The gauges are stress relived/dimensionally stabilized before finish grinding.
Gauge material DIN 1.2510 and DIN 1.350.
All incoming material is tested for chemical composition.
Calibration document is included in scope of delivery.
Appendices
Technical details
Description
Symbol
Value
Thread
NPT
1/16 "
Pitch
P
27 "
Tolerance (plug)
Tol.
Basic
Calibration certificate
Kal.
Yes