Walter Tools A331.0.48.045.14
Kierretapin pikavaihtopidin

EAN-code: 0198088853
VAT 0% 363,00 €
Checking availability
You need to log in before purchasing. Request credentials here.
Ask about this product
Ask about this product
Technical details
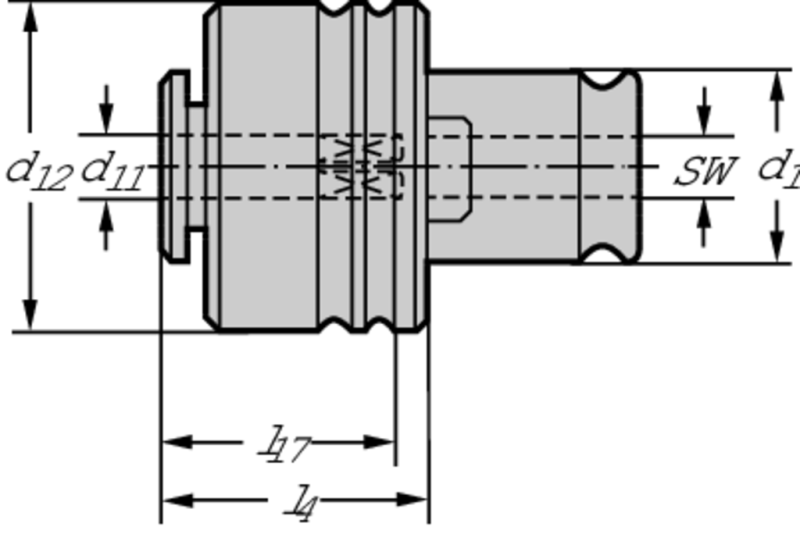
Description Symbol Value
Body diameter
d12
72 mm
Collet size
Insert size
4
Mounting diameter
d1
48 mm
Connection diameter
d11
14 mm
Maximum projection length
l4
45 mm
Clamping diameter depth
l17
58 mm
Tool designation
Designation
A331.0.48.045.14
Wrench size
SW
11 mm
Weight
1,67 kg