Zentra ZE-8367-258
Kolmileukaistukka, teräs DIN 55027

EAN-code: 4049794040249

Teräksinen keskittävä kolmileukaistukka kaksioisaisilla leuoilla.

Toimitukseen sisältyy 1sarja sisä-/ulkopuolisia leukoja, avaimen sekä kiinnitysruuvit.

VAT 0% 1142,50 €
You need to log in before purchasing. Request credentials here.
Ask about this product
Ask about this product
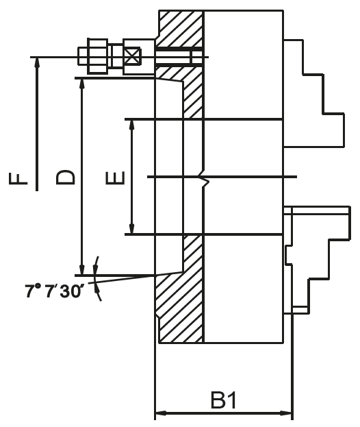
Technical details
Description Symbol Value
Ulkohalkaisija
A (Ø)
250 mm
Standard
DIN 55027
Taper size
Kartiokoko
8
Korkeus perusleukojen kanssa
B1
92,8 mm
Keskityshalkaisija
B
139,7 mm
Keskireiän halkaisija
E
76 mm
Reikäpiirin halkaisija
F
171,4 mm